ООО "Фирма "Микмар"
т.(812)3699189
Четверг, 05.03.2026, 18:12
Приветствую Вас Гость | RSS
Меню сайта

Категории раздела
Электродвигатели шаговые [10]
Электромагниты [1]

Наш опрос
Вы знаете, что такое шаговый электродвигатель?
Всего ответов: 122

Статистика

Онлайн всего: 1
Гостей: 1
Пользователей: 0

Форма входа

Главная » Файлы » Электродвигатели шаговые

ДШР60
31.01.2012, 17:22

Электродвигатели  шаговые  типа  ДШР60

 Электродвигатели предназначены для применения в качестве дискретных исполнительных элементов электромеханических устройств в нормальных климатических условиях.

 

 

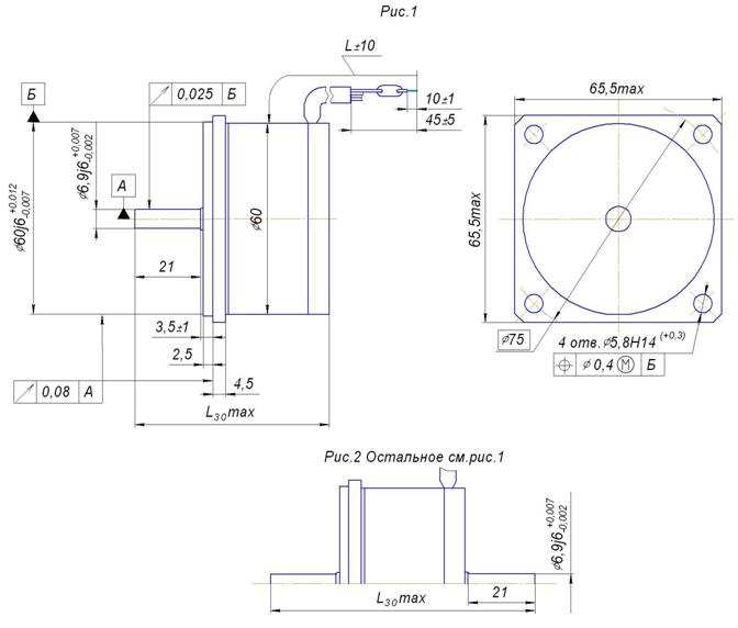
Габаритные, установочные и присоединительные размеры двигателей типа ДШР60

 

 

 

 

 

 

Технические данные

Наименование параметра,

единица измерения

Норма для типоисполнения

ДШР60-0,1-1,8УХЛ4 2ДШР60-0,1-1,8УХЛ4 2ДШР60-0,1-1,8УХЛ4-Д

ДШР60-0,25-1,8УХЛ4 2ДШР60-0,25-1,8УХЛ4 2ДШР60-0,25-1,8УХЛ4-Д

ДШР60-0,25-1,8УХЛ3.1

2ДШР60-0,25-1,8УХЛ3.1

Напряжение питания на входе блока управления, В

70; 100

Потребляемый ток фазы при фиксированной стоянке под током, А

2,0 (устанавливается блоком управления)

Номинальный вращающий момент, Н·м

0,1

0,25

Номинальный шаг

1,8 °

Номинальный момент инерции нагрузки, кг·м2

1 · 10-5

Номинальная приемистость, шаг/с, не менее

- при напряжении на выходе блока управления 70 В

- при напряжении на выходе блока управления 100 В

 

 

550

 

600

 

 

700

 

800

Максимальная приемистость, шаг/с, не менее

- при напряжении на выходе блока управления 70 В

- при напряжении на выходе блока управления 100 В

 

 

850

 

950

 

 

900

 

1000

Статическая погрешность отработки шага, % от величины шага

± 5

Максимальная частота отработки шагов при увеличении частоты управляющих импульсов с линейным ускорением 10 шаг/с×мс при номинальных значениях момента инерции нагрузки и вращающего момента, шаг/с, не менее

- при напряжении на выходе блока управления 70 В

- при напряжении на выходе блока управления 100 В

 

 

 

 

 

 

7500

 

10000

Момент инерции ротора двигателей, кг·м2

1,1 · 10-5

3,4 · 10-5

Индуктивность одной фазы (при параллельном соединении обмоток в фазе), мГн

1,5

2,8

Допускаемая величина силы, прилагаемой к  выступающему рабочему концу вала, Н, не более:

в аксиальном направлении

в радиальном направлении

 

 

 

1,0

15,0

 

 

 

3,0

40,0

 

 

 

 

Категория: Электродвигатели шаговые | Добавил: Lena4179 | Теги: шаговые, шаговый, Электродвигатель, ДШР, двигатель, 60, ДШР60, электродвигатели, двигатели
Просмотров: 4403 | Загрузок: 0 | Рейтинг: 5.0/1
Всего комментариев: 0
Поиск

Copyright MyCorp © 2026Конструктор сайтовuCoz